Prijava
Mura nekoč, danes, jutri
SLO-A komisija za Muro
Poplava na Muri 2005
Trajnostno upravljanje z vodami med Muro in Dravo
Mura danes in jutri /
Slike/Albumi
/ Mura nekoč, danes, jutri
Mura - danes in jutri
Dec 02, 2018
43
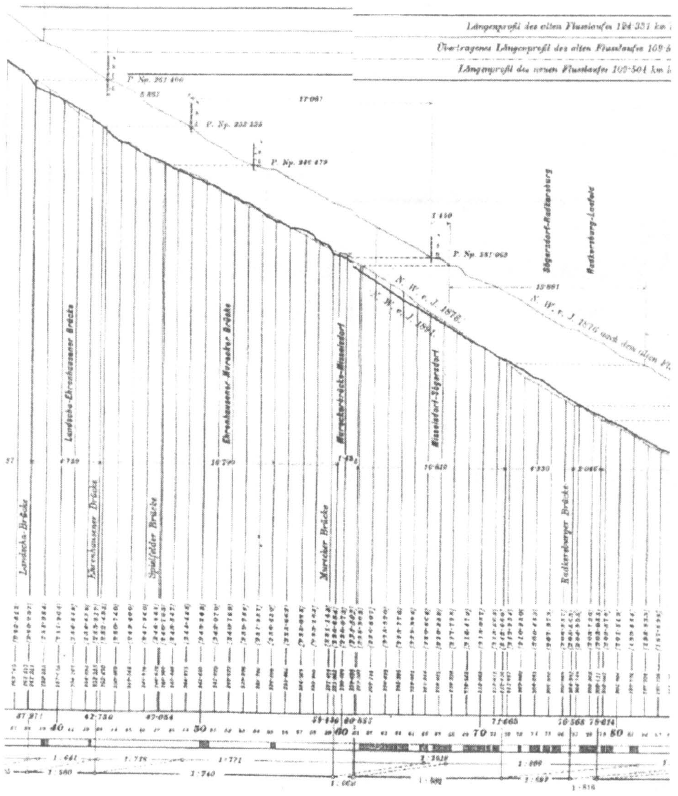
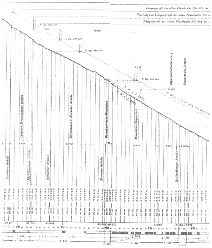
Slika 4: Vzdolžni profil Mure okrog leta 1874
komentarji
Pošlji
×
Deli objavo