Mura in njeno povodje do I. svetovne vojne
Ko govorimo o pokrajini ob Muri oz. njenem vodnem območju , kateremu pripada nižinsko Mursko polje in gričevnato Goričko, govorimo o specifičnem območju , kjer se stikajo kulture in narodi, ki so stoletja živeli na tem območju
Mura - danes in jutri
Mura nekoč danes in jutri

Petek, 26. Oktober 2018 ob 21:20

Odpri galerijo

Današnje vodno območje reke Mure v RS, se razprostira na površini 1.333 km2 in je bilo v zgodovini juridično in upravno razdeljeno na ogrski in avstrijski del in to vse od 14. stoletja naprej pa do razpada Avstro-ogrske monarhije. Meja med avstrijskim (štajerskim) območjem je potekala po Muri in je pri Cvenu prešla na ogrski del.
Ko govorimo o pokrajini ob Muri oz. njenem vodnem območju , kateremu pripada nižinsko Mursko polje in gričevnato Goričko , govorimo o specifičnem območju , kjer se stikajo kulture in narodi, ki so stoletja živeli na tem obmOČju in to Germani, Slovani in Madžari.
Skupno vsem tem je bila neka srednjeevropska identiteta in kultura, kjer je vsak od drugega nekaj sprejemal in dodal drugemu nekaj svojega in to stoletja. Navedeno se kaže v jeziku in narečjih , narodnih običajih, hrani, imenih krajev, prav tako pa v načinu razmišljanja ljudi, ki je odprto, kot je tudi
odprta Panonska ravnina.
Še bi lahko naštevali, kaj je bilo in je tisto, kar ljudi na tem območju enači kot npr. razdrobljena zemljiška posest, migracije in izseljevanje zaradi ekonomskih razmer itd. Za vse pa velja, velika navezanost na domači kraj.

				Slika 1: Mura nekoč in danes			Slika 1: Mura nekoč in danes

Za celoviti pregled današnjega stanja na povodju Mure je nujno, da se najprej analizira predhodne zgodovinske okoliščine in posege človeka v reko, saj šele na osnovi teh posegov lahko sklepamo, zakaj so bili določeni ukrepi v določenem zgodovinskem obdobju izvedeni in kaj so ti ukrepi povzročili v prostoru.
Takšna analiza je sled kratkotrajnosti človeškega spomina nujno potrebna. Rezultati človekovih posegov v reko in obvodni svet so namreč razvidni šele po več desetletjih in v kolikor ne poznamo vzročnih povezav med njimi (vzrok - posledica) je tudi sanacija stanja praktično nemogoča.
Ko govorimo o svetu ob Muri oz. o prvih omembe vrednih ukrepih za urejevanje vodnega režima na reki, se moramo zavedati, da so se ti izvajali v fevdalizmu in da jih je na avstrijski strani vodila in v veliki meri financirala državna oblast iz vodnega fonda, dočim je na ogrski strani potrebna dela financiral zainteresirani veleposestnik.

				Slika 2: »Iskanje življenjskega prostora« Mure med leti 1400 in 2000			Slika 2: »Iskanje življenjskega prostora« Mure med leti 1400 in 2000

Za vse te prve ukrepe, kateri so se izvajali že v 16. stoletju je značilno, da niso bili sistematski in so se nanašali le na krajši odsek struge s ciljem, zavarovati določena naselja pred poplavami in omogočiti plovbo po Muri.
Ti ukrepi niso bili efektivni, ker so reševali probleme ureditve struge le na krajših odsekih in jih je že naslednja visoka voda spet porušila ali zaobšla. Tako se je dogajalo, da je Mura venomer spreminjala strugo ob visoki vodi proti severu in celo porušila več vasi na Apaškem polju, znano pa je tudi, da je G.Radgona /Bad Radkersburg (trg) bila nekaj časa celo na otoku.
Že v 17.stol je na Ogrskem veljal zakonik, ki je predpisoval izgradnjo pregrad oz. obrežnih zavarovanj na reki Muri, s katerim so že takrat urejevali rečni režim v smislu zavarovanja naselij pred visoko vodo. Določene gradbene ukrepe za zagotovitev rečne plovbe in zavarovanje naselij pred visoko vodo je predpisovala tudi Marija Terezija in tako so že v letu 1753 izdelali posnetek struge reke Mure, na osnovi katerega so potem izvedli nekaj presekov meandrov in zavarovali brežine.
V letu 1810 je županija Zala financirala izgradnjo preseka meandra na reki Muri in naselje Razkrižje obvarovala pred vsakoletnimi poplavami.
V letu 1822 je ob visoki vodi Mura izkopala novo korito pri Murskem Središču , tako, da je bil most na suhem in so z regulacijskimi deli morali Muro zopet preusmeriti v obstoječe staro korito.

Znane so zahteve za ureditev odvod nje potokov, ki tečejo po Murskem polju, oz. se izlivajo v Muro in katere so kmetje ter določeni zemljiški gospodje regulirali in na njih uredili mline, kot npr. na Ščavnici, Črncu, Ledavi itd.
Okrog leta 1850 je bil izgrajen razbremeniini kanal Ledava-Krka in prestavljen izliv Ledave v Krko.
Štajerska deželna vlada je 10. oktobra 1874 sprejela sklep o financiranju regulacije Mure v treh odsekih med Gradcem in Cvenom, ki jo danes poznamo po vodji regulacijskih del Franzu vitezu Von Hochenburgu.

				Slika 3: Regulacija Mure med Gradcem in Cvenom v letih 1874-1891 .			Slika 3: Regulacija Mure med Gradcem in Cvenom v letih 1874-1891 .

V glavnem so se dela odvijala na odseku med Gradcem in Wildonom ter med Wildonom in G. Radgono/Bad Radkersburgom. Dela so obsegala predvsem utrditev brežine struge do višine srednje vode reke Mure. Kot izhodišče za kilometražo dolvodno je služil most Radetzky v Gradcu.
V času regulacijskih del je prišlo med leti 1878 in 1879 do nekaj zelo visokih vod in posledično do zelo velikih škod na naseljih na odsekih, kateri še niso bili regulirani, oz. niso bili predvideni za regulacije. Regulacijska dela so intenzivirali na večih , tudi novih odsekih hkrati in dela po 17 letih , v juliju 1891 zaključili, kljub temu, da so bila dela na mejnem odseku z Ogrsko (med Radgono in Cvenom) izvedena zelo na redko.

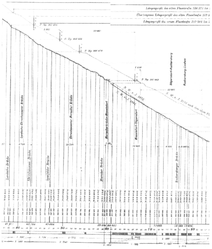
				Slika 4: Vzdolžni profil Mure okrog leta 1874			Slika 4: Vzdolžni profil Mure okrog leta 1874

Glede na to dejstvo, kakor tudi v kasnejŠih obdobjih na sorazmerno majhna vlaganja v regulacijska dela na slovenskem delu Mure se imamo zahvaliti, da je korito Mure v »notranji Muri« širše in strukturno dosti bolj razgibano, kot pa to velja za mejni odsek z R Avstrijo.
Že 20 .06 .1901 je bila v Lendavi ustanovljena vodna zadruga, katera bi naj reševala vodnogospodarsko problematiko na površini cca 7.800,00 ha zalske županije, tako v smislu planiranja, izgradnje, kot samega vzdrževanja izgrajenih objektov. Pobudniki za ustanovitev zadruge so bili predvsem veleposestniki, kot npr. Pal Esterhazy in Agoston Zichy.
Po izdelavi potrebnih projektov za izvedbo regulacij potokov in osuševanja površin, je bilo zadrugi končno 31 .10.1907 izdana koncesija. S tem aktom je podžupan županije Zala Csertan Karoly zadrugi določil obseg dela v smislu izvedbe razširitve korita Ledave in vsakoletnih vzdrževalnih del na potokih Ledava (od Ivanec dolvodno), Krka, Kobiljski potok, Bukovnica, Libenica, Črnec, Lipnica, Bogojinski potok in še nekaj manjŠih pritokov.
Vodna zadruga, katere prvi predsednik je bil dr. Josip Haler je delovala po razpadu Avstro-Ogrske še vse do leta 1946.

UREJENOST IN VZDRŽEVANOST VODNEGA REŽiMA POGOJ ZA VARNOST NARAVNEGA IN BIVALNEGA OKOLJA

Jožef NOVAK univ.dipLinž.gradb, MOPE, Agencija RS za okolje, Vojkova 1b, Ljubljana

Vladimir VRATARIČ inž. gradb, MOPE, Agencija RS za okolje, Vojkova 1 b, Ljubljana

Galerija slik

Zadnje objave

Teme
Mura nekoč danes jutri Reka Mura Mura

Prijatelji

NAJBOLJ OBISKANO

Mura in njeno povodje do I. svetovne vojne